
Luna pärlvita och ljusgrå granit countertops, med bruna eller vita skåp
Luna pärlor granit bänkskivor var tillverkade mycket frecuently för projekt på USA-marknaden. För närvarande har vi fortfarande några kvarter i lager, även om stenbrottet stängdes redan. Något nytt projekt kräver Luna Pearl G640, var god kontakta oss direkt! Vänligen kolla vårt senaste projekt: Portiva ...
- Snabb leverans
- Kvalitetssäkring
- 24/7 kundservice
produkt introduktion
Luna pärla G640 vit och grå bänkskivor i granit tillverkades väldigt fritt för projekt på USA-marknaden för att matcha med bruna eller vita skåp. För närvarande har vi fortfarande några kvarter i lager, även om stenbrottet stängdes redan.
Något nytt projekt kräver Luna Pearl G640, var god kontakta oss direkt!
Vänligen kolla vårt senaste projekt: Portiva Jacksonville, FL
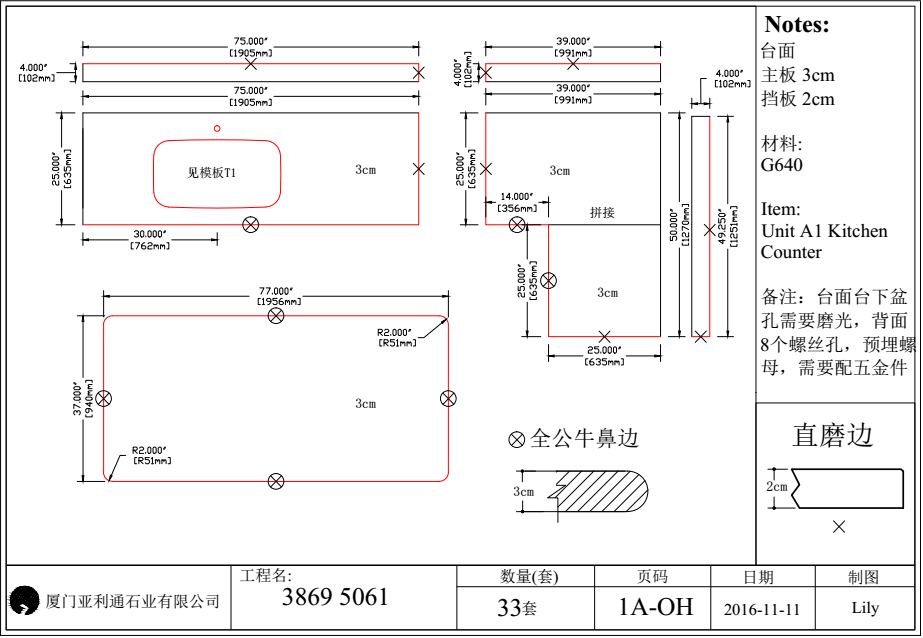
Ritningsreferens:
1. Bänkskivor 3cm tjocklek med platt söm, 2cm tjocklekstänk:

![]() Bullnose kant | ![]() Med platt söm |
2.Vanitytops 2cm tjocklek med 2cm stänk:

För detaljerade dimensioner eller processer kan vi möta din speciella förfrågan!
Vänligen skicka oss ditt krav via e-post: sophy@yalitong-stone.com
Fler bilder att visa från andra projekt:
Populära Taggar: Luna pärlvita och ljusgråa granitplattor, med bruna eller vita skåp, leverantörer, fabrik, grossist, pris, Stenbänk för fuktmotstånd, Stenbänk för temperaturfluktuationer, köksbänk, marmorbänk, Stenbänk för snömotstånd, kvarts bänkskiva
Du kanske också gillar
-

Kinesiska Bainbrook Brown G664 Granitplattor Tillver...
-

Artificiell Calacatta White Quartz Stone, Engineered...
-

Läderfärdig, Indisk Svart, Absolut Svart Granitbänks...
-

Rostfritt stål 304 DiningTable Frame, Soffbord Kaffe...
-

Under mount Ceramic Square fåfänga sjunka (YLT - nr ...
-

Rektangulära under mount keramik badrum Sink 24 tum ...



